Валюта:
Производитель Номер Название ИС Дней К-во Цена
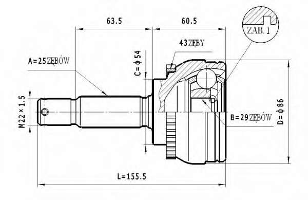
STATIM C.459 Шарнирный комплект, приводной вал