Валюта:
Производитель Номер Название ИС Дней К-во Цена
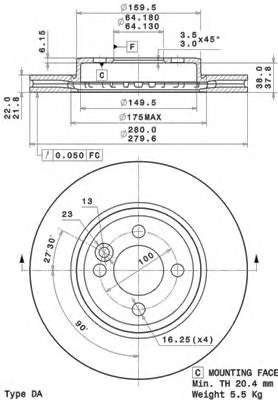
AP 25169 Тормозной диск